Skip to content

Battery-free flash light

Featured Replies

I am attempting to build a working Battery-free flashlight flash light. It would be powered by coils around a pen tube with a rod magnet inside. When you shake the tube the magnet goes up and down reversing polarity inducing a charge in the coils. The only problem is I can’t seem to get more than 0.9 volts out of the thing. I need at LEAST 3 volts. Not to mention that the current output is pitiful. The coils I wound are PERFECT. The layers are on top of each other with no overlaps. There are somewhere between 500 and 1500 turns. I can’t even begin to guess how many.

 

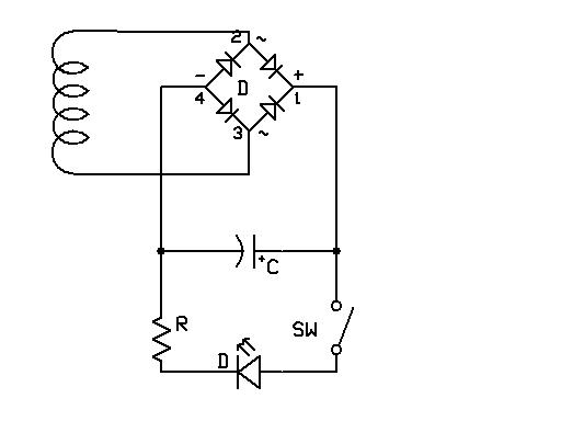
So does anybody have any ideas? I have attached a schematic.

LED.JPG

i have never heard of anyone doing it that way, are you sure its even possible with that method? the only battery-free flashlight i have seen is one that has a handle similar to a brake on a bicycle that you squeeze over and over to turrn a gear. inside it gears it up and uses a generator that powers the bulb.

Hey, I have a flashlight like that. I have to shake it, and I hear the little thing moving up and down. That's cool to build one (I paid 5 bucks for mine). The way you described it sounds exactly like how mine works, so... Sounds good to me. Good luck with building it :D

I'd think some way to make it easier to shake would be your easiest bet. Cause the more you shake it the more volts you get right? Why don't you try like a shaker mill set up with a handle. It might actually work out kinda nicely for you.

 

Though Calli probably has the best suggestion.

your idea is perfectly sound in its principal! but you lose .7 ov a volt with every diode you pass a voltage through, use a single germanium diode instead or a boron diode is even better (only .2 of a volt loss).

you could consider putting a spring at either end of your tube also, it`ll assist in a smother shake action, with less mechanical loss.

try and see if you can get a NIB magnet that`ll fit also, they`re much stronger! :)

 

nice work :)

could you use a white led? I have a small pocket sized led flash light that runs off a watch battery. I know led's require very little voltage in comparison to your standard bulbs.

  • Author

Well the voltage is about the same if not higher... But they draw a lot less current. This thing wouldn’t be able to supply enough current for an incandescent bulb.

ahh ya, I knew something was lower, been a while.

  • 2 weeks later...

use diodes as suggested by yt in post #5

 

scrap the resistor, you dont need to protectect the LED from such little voltage

 

use LED not a filament bulb.

 

reduce wire size & use low resistance wire.

 

more coils, stronger magnet, bigger magnet... springs [i read it somewhere here]

 

everything, you need every .1V you can get :)

 

reduce the amount of diodes used...

  • Author
use diodes as suggested by yt in post #5

 

scrap the resistor' date=' you dont need to protectect the LED from such little voltage

 

use LED not a filament bulb.

 

reduce wire size & use low resistance wire.

 

more coils, stronger magnet, bigger magnet... springs [i read it somewhere here']

 

everything, you need every .1V you can get :)

 

reduce the amount of diodes used...

 

Erm... did you look at the schematic? 'D' is a LED.

 

A LED is simply a diode. Without the resistor the cap would completely discharge through the LED in a fraction of a second.

 

You can’t both reduce the diameter of a wire AND lower is resistance.

 

Adding coils adds resistance. I’m using a Neodymium magnet (can’t get stronger than that)

 

Reducing the full wave rectifier to half-wave will lower efficiency.

 

Edit: Doh... Just noticed I named my bridge 'D' too... :P

oops, forgot bout the capacitor, fine, but the higher the resistor the more voltage you lose, which is bad [obviously]

 

when i said reduce wire size [badly worded, soz] i meant cut down on uneeded wire, i.e. make it shorter... you could also make it fatter, maybe cool it down [edging towards a super-conductor]

 

use low resistance wire, in an experiment i did once, i can't remember the figures, but they were really drastic, it makes you want to use low res. wires in a simple torch or sumin, it makes a big difference.

 

the more coils you have the better, the "coil benefit Vs. coil resistance" ratio is such that you dont need to worry about too many coils [to an extent]

what capacitor are you using?

  • Author

I have not gotten to a high enough voltage to actually bother testing the circuit. But anyway it wouldn’t really matter. Bigger is better.

Just a question, but could you not make several shakers? Like say, maybe 4 shakers all kinda built together, about the size of a can of spray paint? Then wire the 4 outputs together, and boom, 4 times the power.

well, assuming they were all the same size as the original coil/magnet, you have got 4 times the amount of power yes... although if you start making them smaller again to fit in the can, there is a lack of power :)

  • Author

Also... say you have two different coils, if the two magnets are in opposite positions one will generate say -1v and the other +1v. The overall output would be 0v.

um, i cant say to be certain, but i would have thought that they cancel each other out, resulting in 0V

wh dont use a circular magnet and rotate it to create the EMF. a single spin will last longer than a single shake

well the original post said that it would be a rod magnet, so he could rotate it, but with the kind of sizes he was talking about, it would be better to shake the magnet than rotate it because the shaking produces more movement than rotating it, so more current will be produced.

  • Author
um, i cant say to be certain, but i would have thought that they cancel each other out, resulting in 0V

 

The overall output would be 0v.

:confused: Thats what I said...

oops, sorry i read the original post wrong, i thought it was a question! :)

Merry Christmas Lance, there are more where this came from.IM000676.JPG

big enough? i once saw a 1F capacitor, but i couldnt think what do use if for.... what can you use massive things like that for?

  • Author

The cap your thinking of was rated at 3-12v. Those things are rated at 400-500v. The largest cap in his picture is 300J while a 1F cap rated at 12v is only 72J. A 5.5V cap would be just over 15J.

Archived

This topic is now archived and is closed to further replies.

Important Information

We have placed cookies on your device to help make this website better. You can adjust your cookie settings, otherwise we'll assume you're okay to continue.

Account

Navigation

Search

Search

Configure browser push notifications

Chrome (Android)
  1. Tap the lock icon next to the address bar.
  2. Tap Permissions → Notifications.
  3. Adjust your preference.
Chrome (Desktop)
  1. Click the padlock icon in the address bar.
  2. Select Site settings.
  3. Find Notifications and adjust your preference.