Skip to content

neuron circuit simulation help required

Featured Replies

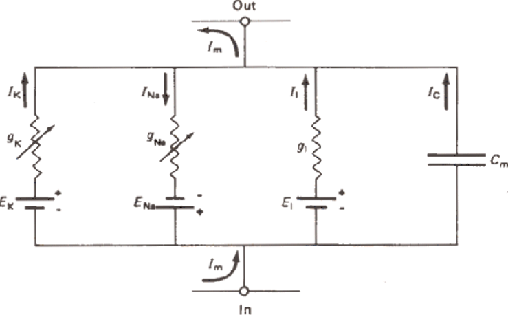
I have been trying to simulate a neuron for a self project to improve on my skills as a circuit designer, however I am having trouble understanding the circuit for a neuron.

below is the circuit model

image.png.32c7f32660e4ffd41da81991fe397ab9.png

The way I am interpreting it is the 2 variable resistors are actually potentiometers and the are, I think, self regulating or tuned by a user and the input and output currents are the overall neurons models input and outputs. However what I do not understand is how this leads to the neuron actually firing. 

Much help would be appreciated.

How much do you want this to resemble real neuronal transmission (of course, we ignore the different receptor/neurotransmitters)? 

I don't know enough about engineering to help you out with this, but maybe the explanations of neurons firing helps you enough to continue

Let's take a look at the action potential (1 'firing'):

Afbeeldingsresultaat voor action potential neuron

The voltage difference shown here is between the inside and outside of the cell, due to ion gradients. between the inside and the outside are many pumps/transporters that (CAN) let through ions. Some of these are themselves activated by specific voltages, we call these voltage-gated ion channels. 

When we look in the picture, at 1 (stimulus) we can see some failed initiations, which do not reach the threshold (~ -55mV). Such a stimulus could be another neuron that has just sent neurotransmitters to our cell (and we have the right type of cell/receptor to be activated). If the signal is weak, we have a failed iniation. But when we reach -55 mV, the voltage-gated ion channels open, and a sort of sequence of events happens. The voltage gated Na+ channels open up and Na+ streams out, leading to further depolarisation. After a little while, slower K+ channels open and the cell repolarizes. During the hyperpolarization phase, K and N ions are pumped to the other sides of the membranes so that the next time the channels open, this exact same thing can happen.
https://en.wikipedia.org/wiki/Action_potential 

This action potential then travels across the myelin sheath, getting a signal boost at nodes of Ravier, where more voltage-gated channels are activated to further the signal.

Afbeeldingsresultaat voor neuron transmission

When the signal reaches the axon terminal, it will send this signal to thousands of different synapses, which connect to other cells.
A big part of how neurons learn is called synaptic plasticity, and in a really oversimplified example, when you think of a dog, one particular pattern of probably millions of neurons activates. Not all cells/synapses are equally activated, so if you think of dog a lot, your cells will increase the signal transduction (or decrease for the opposite effect) in these active synapses. This means that the same action potential can now lead to a stronger neurotransmitter release, or if its post-synaptic adaption, maybe the the same amount of neurotransmitter now gives 1.5x the amount of signal in the next cell.

Synaptic plasticity: https://en.wikipedia.org/wiki/Synaptic_plasticity

So important things is that neurons have many (variable) outputs and inputs. Activation requires a threshold (Sigmoid curve is probably useful for modeling). 

Hope this helps, at least a little;p

-Dagl

  • Author
On 1/30/2020 at 6:54 AM, Dagl1 said:

ope this helps, at least a little;p

Ye! helps out a whooooole lot. If I were to give a general reference understanding to this I would call it a kind of "spark gap" which requires a certain amount of "charge" in order to "fire." This previous statement is used in order to give myself an understanding of what behaviors it associates to also seen.

1 minute ago, ALine said:

Ye! helps out a whooooole lot. If I were to give a general reference understanding to this I would call it a kind of "spark gap" which requires a certain amount of "charge" in order to "fire." This previous statement is used in order to give myself an understanding of what behaviors it associates to also seen.

Ye check this out as well; https://en.wikipedia.org/wiki/Summation_(neurophysiology), many small sparks can still lead to firing.

  • Author

ok, sooooo this looks like some weird math. Like the formation of these neural structures are analogous to mathematical structures.

so wait, the closer neurons dendrites are to the main cell body, the more it affects the neurons firing rate? 

Does this change the potential activation function of the neuron? Making it higher or lower, depending on how close it is to the neurons cell nucleus?

 

The initiation of a full 'firing' generally happens at axon hillocks. So as the page says, the closer to axon hillock, the stronger the signal will be when it arrives there. But the activation function can remain the same.

You should note that the synapses can change, and each synapse can react differently to the same signal. I would recommend going over this neuronal pathway. The point is to understand the dual role dopamine has here. https://www.intechopen.com/books/basal-ganglia-an-integrative-view/clinical-motor-and-cognitive-neurobehavioral-relationships-in-the-basal-ganglia
Dv2ajuLT_uh57ubO0S0syAfn4BS0BFBYCtmlTZ3OE_piJqEU7eYsPVmyfmrau5tdVvcelpeRf1Dlqf6hSqkJ18eb1sH027BEUkwYtw14Znv9k1OFswafpNBEslpXSibK-XWbdXWq

While googling for the picture, I came across this:
https://www.eneuro.org/content/5/6/ENEURO.0339-17.2018 maybe also interesting for you.

For your project, it may be good to just boil it down to the most simple/important pieces and design those first.

 

  • Author

ah, ok. my apologies for not fully reviewing the information before responding.

Archived

This topic is now archived and is closed to further replies.

Important Information

We have placed cookies on your device to help make this website better. You can adjust your cookie settings, otherwise we'll assume you're okay to continue.

Account

Navigation

Search

Search

Configure browser push notifications

Chrome (Android)
  1. Tap the lock icon next to the address bar.
  2. Tap Permissions → Notifications.
  3. Adjust your preference.
Chrome (Desktop)
  1. Click the padlock icon in the address bar.
  2. Select Site settings.
  3. Find Notifications and adjust your preference.