Skip to content

Need help with Node Voltage Method?

Featured Replies

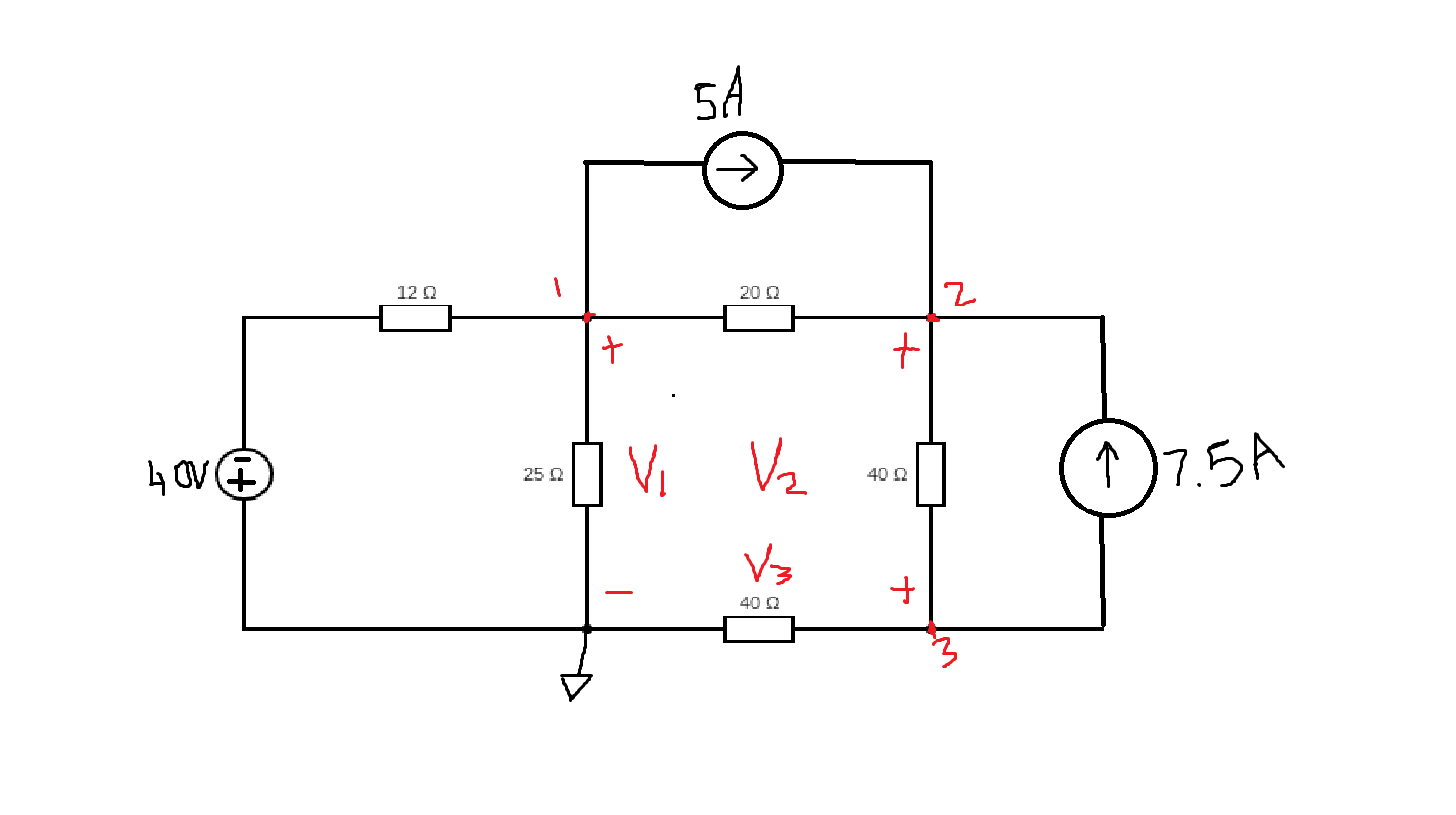
Derived from this circuits 3 nodes using the NODE VOLTAGE METHOD are 3 equations:

1) V1- -40/12 + V1/25 + 5 + V1+V2/20 = 0

2) V2-V1/20 - 5 + V2-V3/40 - 7.5 = 0

3) V3-V2/40 + 7.5 + V3/40 = 0

My question is what is the method for subtracting voltages from each other. Like why in the first equation is it V1 - -40 or in Equation 2 why is it V2 - V1 or Equation 3 V3-V2... etc. The guy teaching Circuit Analysis does not explain why he does this. Please explain to me. I will be very thankful.

circuit2-remake.png

Edited by Achilles

Are the 5 amp and 7.5 amp shunts contant current sources or what?

You drew weird circuit. Ammeters should be plugged in series to measure current, because they're like shortcut otherwise (extremely tiny resistance).. i.e. current will skip your 20 ohm and the rightmost 40 ohm resistors (has easier route through ammeters!)

 

 

1 minute ago, Sensei said:

You drew weird circuit. Ammeters should be plugged in series to measure current, because they're like shortcut otherwise (extremely tiny resistance).. i.e. current will skip your 20 ohm and the rightmost 40 ohm resistors (has easier route through ammeters!)

 

 

I thought that at first, but then I wondered if the circuit elements were more complicated as that is almost a standard symbol for a current source.

Yeah, ammeter should have A letter in circle, instead of arrow..

 

Of course, if you look at the equations neither make sense since the 5 and 7.5 mentioned appear as voltages there, not currents.

:)

  • Author

It's called the node voltage method it applies Kirchhoff current law and that 5 and 7.5 is called current source.

Go YouTube it if you want to understand it

IN this method you are substituting current which is I for V/R and so you can isolate the variable V which is Voltage which is what the problems is usually asking. It supposedly is faster way than Kirchhoff Current/Voltage Law. That is what my teacher says.

Edited by Achilles

52 minutes ago, Achilles said:

that 5 and 7.5 is called current source.

Thank you for confirming this.

 

Before we proceed do you know what a current source is as a circuit element?

I ask because someone has drawn that circuit incorrectly so it it is missing some information.

  • Author
9 minutes ago, studiot said:

Thank you for confirming this.

 

Before we proceed do you know what a current source is as a circuit element?

I ask because someone has drawn that circuit incorrectly so it it is missing some information.

No sorry I was just given the problem as is and have been using current source simply as a current source in a circuit diagram without understand what it is in reality if that is what you asking. Can you tell me what is wrong thanks.

Right;  a current source provides a constant current regardless of the voltage applied to that source by the rest of the circuit.

So a 5 amp source always provides 5 amps, whatever it is connected to.

Compare this with a 5 amp current sink which draws (or tries to) 5 amps regardless of whatever it is connected to.

 

Since currrent can flow in either of two directions through a source or sink

It is a requirement that the arrow in a current source has to point in the direction of conventional current flow.

 

So in your circuit the arrows in both the 5 amp source and the 7.5 amp source point into the node you have labelled 2 in red.

 

You should not associate + or - signs with the nodes that is a different method.

 

It is regrettably common for those that think they know better to revise the offerings of great men.

This is the case with Kirchoff.

There is no such thing as Kirchoff's node voltage equation.

 

Kirchoff's node equation is an xpression of the Law of conservation of charge and states

 

Current flowing into a node must equal current flowing out of that node.

 

So we must have a convention and your tutor obviously regards current inflow as negative and and current outflow as positive.

as in equation 2.

 

The currents in the resistors are unknown and should be denoted Ir   where r is the number (not value) of the resistor in the circuit.

This is why you should number the resistors (and other components) in a circuit.

So I will number the 20 ohm resistor R1 and the 40 ohm resistor R2

So equation 2 should now read

 

Current out of node 2 is

I1 + I2 - 5 - 7.5 amps

They cannot all be the same sign can you see why ?

Note that at this stage we do not know I1 and I2

However we can write similar equations for all the rest of the nodes in the circuit and these currents will appear in some of them.

This will give us a set of simultaneous equations we may be able to solve for the currents.

This method is also known as the method of branch currents because every current into or out of a node comes from a different branch.

 

I will stop there to allow you to see if you can number the rest of the nodes and resistors and try to write the node equations for them.

 

 

  • Author

I am not a good at explaining things so I will just leave this video to show you what I mean. Yes I understand Kirchhoff doesn't have node voltage but the Node Voltage Method which is common practice and has many YouTube videos and articles on google about it. Also my teacher starts off with the assumption that all currents are going out of the node and only in (which is negative) when there is a current source that is pointing into the node. So it is not Kirchhoff Current or Voltage Law but it uses his Laws in a different way.

Khan Academy - Node Voltage Method

I know some won't watch video cause it aint 2 minutes or something, I have short attention span as well, but if you want to understand Node Voltage Method than watch the video. And then maybe you can help me with my question :P

Edited by Achilles

You have a most unfortunate (for you) way of alienating those who try to help you.

 

Using the proper versions of KVL and KCL or Kirchoff's first and second Laws will always enable you to solve a circuit.

 

Using a clever shorcut method combining these will only work sometimes.

 

But is only useful if you are

a) Going to do a lot of this without a computer.

b) Going to teach to those who do not need to know.

 

If you are quick and slick with circuits, like Sensei then by all means use these methods.

But if you are just struggling and simply want to pass your exams, a bit of effort KVL and KCL is all you need.

 

Look here for the Kahn Academy's own reason why this shortcuts will not always work.

 

https://www.khanacademy.org/science/electrical-engineering/ee-circuit-analysis-topic/ee-dc-circuit-analysis/a/ee-loop-current-method

 

The point about KVL and KCL is that together they will provide you with more equations than you have unknowns for a given circuit.

So you can be selective and only pick enough equations for your solution.

So learn these first properly before you try some bastard combination.

You cannot use them in any case when you want to introduce more complicated circuit elements.

How many circuits do you know that only have resistors (and current/voltage sources) ?

How would you get on with inductance, capacitance, negative resistance devices, transistors, op amps, an so on in circuit?

 

 

 

 

 

Edited by studiot

  • Author

Ok but I am specifically talking about the Node Voltage Method, which happens to work out great for this circuit. The problem which you stated as a good thing but is bad thing in my teacher eye well not bad but not great... is that you got to write lots of equations. This only requires 3 equations and Kirchhoff law requires like 6 in total equations (loop equations and node equations) I think.... 

My question requires you to know and understand the Node Voltage Method because I am asking why you subtract different voltages from each other. Please stay on topic thanks. I understand what you mean but that is not about my circuit and not about my question. Thank you though.

14 minutes ago, Achilles said:

My question requires you to know and understand the Node Voltage Method because I am asking why you subtract different voltages from each other.

 

Show me anywhere in those three equations where any two voltages are subtracted.

That is just nonsense.

9 hours ago, Achilles said:

2) V2-V1/20 - 5 + V2-V3/40 - 7.5 = 0

 

Striclty this reads

voltage at node2 minus a fictituous current given by the voltage at node1 divided by 20 minus 5 amps plus the voltage at node 2 minus the fictituous current given by voltage at node3 divided by 40 minus 7.5 amps  = zero.

 

I'm sure you (or your teacher) didn't mean this but this is what you have posted here.

 

 

Edited by studiot

  • Author

In each of the equations there is voltages subtracted which I don't understand.

Like in Equation 2 which you quoted:

V2 - V1 and V2 - V3...  This is part I don't understand and wasn't explained to me.

And it is actually voltage minus another voltage not a current. It is V/R for all instances in the equation which its sum is 0. I am asking why he minus the voltages.

Then why didn't you write it that way in the equation?

 

  • Author
10 hours ago, Achilles said:

1) V1- -40/12 + V1/25 + 5 + V1+V2/20 = 0

2) V2-V1/20 - 5 + V2-V3/40 - 7.5 = 0

3) V3-V2/40 + 7.5 + V3/40 = 0

That is me writing it like that in the equation. See the minus signs, that means subtract.

Equation 2 says v2 minus v1 over 20.................. in every computin, mathematics , physics and engineering school on the planet, including the Kahn Academy.

 

You meant (V1-V2) /20 - 5 + (V2-V3) /40 -7.5.

 

It's varously called Pedmas, Bodmas and other things.

 

Anyway if you want the Physics explained I will leave you to look up how to correctly write down a mathematical equation and experiment with putting the numbers into a calculator to see what happens.

 

Say V1 is 20 and V2 is 10,

What does your calculator output for calculating it both ways?

 

Then we can get on with the Physics.

Edited by studiot

  • Author

Ok thanks. And no thanks for the physics.

Your loss if you still don't understand it.

OK so I gather you are still interested in this subject, so with reference to your circuit, let us consider the Physics.

This is appropriate because most methods of streamlining circuit analysis are all about clever mathematical manipulation.

The Node potential method is about using Physics to help instead.

In particular it involves the law of conservation of energy which here asserts that if you have two nodes, A and B in a cicuit then it does not matter which route you use to move a given charge from A to B through part of the circuit, the resulting energy change will be the same.

If this were not so you could obtain energy by moving the charge crom A to B by one route and back by another from B to A with a net gain of energy.

 

The implementation of this is to assign potential energy level to each node, stated as a voltage level.

One node is chosen as a baseline and all the other energy levels are recorded relative to it as voltage levels.

So in your circuit you have four nodes and therefore four node voltages V0 , V1, V2 and V3, although you have not labelled V0.

It is commonly most convenient to set V0 = 0 but there are circumstance when you might choose a different value, say if you were 'piggybacking' power supplies.

 

This allows you to write equations involving V1, V2 and V3 which must be simultaneously satisfied.

Since there are only resistors in this circuit, Ohm's law may be employed and this is what your teacher has done in the three equations.

 

But note it is not true to say that it is an easieer way to solve the circuit ie fully analyse it since you need extra equations to actually calculate all the circuit parameters (currents in this case).

Of course it save effort if you only want the four node voltages.

 

Have you followed this?

Archived

This topic is now archived and is closed to further replies.

Important Information

We have placed cookies on your device to help make this website better. You can adjust your cookie settings, otherwise we'll assume you're okay to continue.

Account

Navigation

Search

Search

Configure browser push notifications

Chrome (Android)
  1. Tap the lock icon next to the address bar.
  2. Tap Permissions → Notifications.
  3. Adjust your preference.
Chrome (Desktop)
  1. Click the padlock icon in the address bar.
  2. Select Site settings.
  3. Find Notifications and adjust your preference.